Radial Insert Ball Bearing
Exterior spherical bearing housing: UEL300 with eccentric sleeve-UEL305
Secure Eccentric Locking for Stable Operation: Equipped with the E305 eccentric sleeve, the bearing provides a strong and reliable shaft-locking mechanism, preventing slippage under vibration, impact, or continuous operation.
Self-Aligning Spherical Design: The spherical outer surface allows the bearing to compensate for minor mounting misalignments. This reduces stress concentration, ensures smoother rotation, and enhances service life.
High Load Capacity: With a dynamic load rating of 22,360 N and a static rating of 11,500 N, the UEL305 delivers excellent durability while maintaining a compact size for easy installation across various machinery applications.
Exterior spherical bearing housing: UEL300 with eccentric sleeve-UEL305
Outer spherical ball bearings are a type of deep groove ball bearing with a spherical outer ring that fits into a matching concave surface of the bearing seat, allowing for self-alignment.
They are primarily designed to support radial loads and combined radial-axial loads, but are generally not suitable for purely axial loads. The bearing consists of a separate inner ring, complete with rollers and a cage, and an outer ring. Shaft tilting relative to the housing is not permitted, as it can generate additional axial forces. Proper axial clearance is crucial: too tight leads to high temperatures, while too loose may cause damage. Pre-interference mounting can improve rigidity when required.
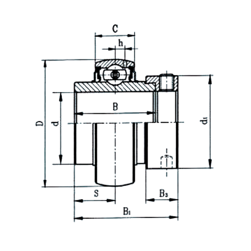
Bearing code | UEL305 |
Axis diameter d | 25 |
Dimensions (mm):
D | 62 |
B | 34.9 |
C | 21 |
S | 16.7 |
B1 | 46.8 |
B3 | 15.9 |
h | 6.2 |
d1 | 42.8 |
Eccentric sleeve | E305 |
Rated load:
Cr | 22360 |
Cor | 11500 |
weight:
Kg | 0.41 |

