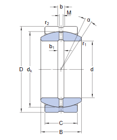
GE16ES spherical plain bearing
Type: GE GES GE..
Seals: open and 2RS.
Spherical plain bearings consist of an outer ring and an inner ring. The outer ring has an inner spherical surface, and the inner ring has an outer spherical surface. The sliding contact surfaces are treated with phosphating, burring, padding, and spraying, and are equipped with lubrication holes and grooves. They reduce lubrication dependence through composite materials or PTFE fabric self-lubricating pads, and feature high load capacity, impact resistance, corrosion resistance, and wear resistance. They can withstand multi-directional loads and rotation at certain angles.
They are widely used in engineering hydraulic cylinders, forging presses, construction machinery, automation equipment, automotive shock absorbers, and hydraulic machinery industries. Spherical plain bearings are a type of spherical sliding bearing, with the basic type consisting of inner and outer rings with spherical sliding contact surfaces. Depending on their structure and type, they can withstand radial loads, axial loads, or combined radial and axial loads.
GE16ES spherical plain bearing
d | 16 mm | Bore diameter |
D | 30 mm | Outside diameter |
B | 14 mm | Width |
C | 10 mm | Width outer ring |
C0 | 21.2 kN | Basic dynamic load rating |
C0r | 106 kN | Basic static load rating |
≈m | 0.0424 kg | Weight |

