NU 210 E Cylindrical roller bearing
Cage: brass cage: M/EM; steel cage: E/without suffix; nylon cage: TVP/ECP;
Type: NU NJ NUP N RN NF SL NCF
Double row: NN NNU
Four row: FC FCD
Advantages:
Very High Radial Load Capacity: Highest radial load capacity among roller bearings (for a given size).
Good High-Speed Performance: Suitable for high-speed, heavy-load applications like large motors, machine tool spindles, and wind turbines.
Separable Design: Most types are separable, facilitating easy mounting and dismounting.
Large and medium-sized electric motors, locomotives and rolling stock, machine tool spindles, internal combustion engines, generators, gas turbines, gearboxes, rolling mills, vibrating screens, and lifting and transport machinery, etc.
NU 210 E Cylindrical roller bearing
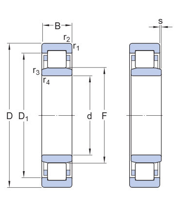
d | 50 mm | Bore diameter |
D | 90 mm | Outside diameter |
B | 20 mm | Width |
D1 | ≈77.4 mm | Shoulder diameter of outer ring |
F | 59.5 mm | Shoulder diameter of inner ring |
C0 | 73.5 kN | Basic dynamic load rating |
C0r | 69.5 kN | Basic static load rating |
≈m | 0.47 kg | Weight |

