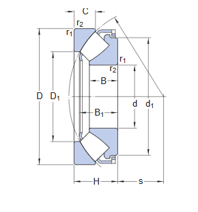
29448M Thrust roller bearing
Cage: brass cage, M/EM; steel cage, E/without suffix
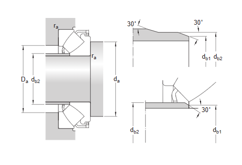
Type: thrust cylindrical roller bearing: 811xx; 812xx; thrust spherical roller bearing: 293xx;294xx;
Advantages:
Extreme Axial Load Capacity: Highest axial load capacity among thrust bearings.
High Rigidity: Line contact between rollers and raceways provides high rigidity, suitable for low-speed, heavy-load applications like vertical turbines and crane hooks.
Thrust cylindrical roller bearings are mainly used in heavy machine tools, high-power marine gearboxes, oil drilling rigs, vertical motors, and other machinery.
Product Details
29448M Thrust roller bearing
| d | 240mm | Bore diameter |
| D | 440mm | Outside diameter |
| B | 122mm | Width |
| ≈m | 73.64kg | Weight |
Leave your messages


