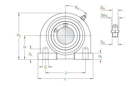
SS UCPA 208 Pillow block bearing
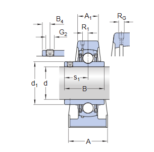
Inser ball bearing: UC UK SA SB
Bearing housing: casting iron;
Type: UCF UCP UCFL UCT UCFC UCHA UCPA UCPH UCFS UCFB UCFW
Advantages:
Self-Alignment & Easy Mounting: Compensates for mounting misalignment between shaft and housing. Easy to install and maintain.
Pre-lubricated & Sealed: Typically come pre-greased and sealed, suitable for harsh environments.
Wide Application: Compact design, commonly used in transmission shafts, agricultural machinery, conveyor systems.
Vertical bearing housing (P), narrow vertical bearing housing (PA), high center vertical bearing housing (PH), square bearing housing (F), boss square bearing housing (FS), boss round bearing housing (FC), rhomboid bearing housing (FL), ring bearing housing (C), slider bearing housing (T), suspension bearing housing (HA), adjustable rhomboid bearing housing (FA), suspension bearing housing (FB); commonly matched stamped bearing housings include round stamped housing (PF), rhomboid stamped housing (PFL), triangular stamped housing (PFT), and vertical stamped housing (PP).
SS UCPA 208 Pillow block bearing
d | 40 mm | Bore diameter |
H2 | 98 mm | Overall height |
L | 116 mm | Overall length |
C0 | 32.5 kN | Basic dynamic load rating |
C0r | 20 kN | Basic static load rating |
≈m | 1.67 kg | Weight |


