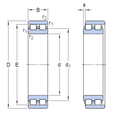
NN3016MK Cylindrical roller bearing
Cage: brass cage: M/EM; steel cage: E/without suffix; nylon cage: TVP/ECP;
Type: NU NJ NUP N RN NF SL NCF
Double row: NN NNU
Four row: FC FCD
Advantages:
Very High Radial Load Capacity: Highest radial load capacity among roller bearings (for a given size).
Good High-Speed Performance: Suitable for high-speed, heavy-load applications like large motors, machine tool spindles, and wind turbines.
Separable Design: Most types are separable, facilitating easy mounting and dismounting.
Large and medium-sized electric motors, locomotives and rolling stock, machine tool spindles, internal combustion engines, generators, gas turbines, gearboxes, rolling mills, vibrating screens, and lifting and transport machinery, etc.
NN3016MK Cylindrical roller bearing
d | 80 mm | Bore diameter |
D | 125 mm | Outside diameter |
B | 34 mm | Width |
E | ≈113 mm | Shoulder diameter of outer ring |
d1 | 97 mm | Shoulder diameter of inner ring |
C0 | 119 kN | Basic dynamic load rating |
C0r | 186 kN | Basic static load rating |
≈m | 1.5 kg | Weight |

