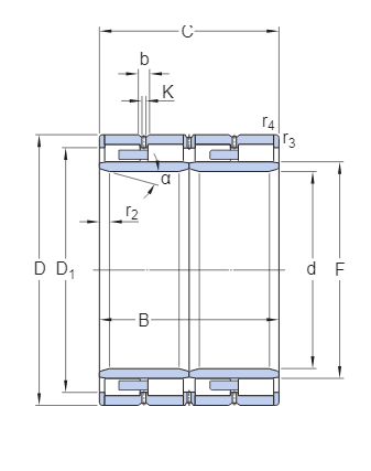
BC4-0094 Cylindrical Roller Bearing
Cage:brass cage, CA MB MA; steel cage, CC E E1 CCJA; Nylon cage: TVP
Single row: 202XX; 203XX;
Double row: 213XX; 222XX; 223XX; 230XX; 231XX; 232XX; 233XX; 240XX; 241XX;
Advantage:
Self-aligning: The outer ring has spherical raceways, and the inner ring has two rows of rollers with a centered, inclined design, automatically adapting to shaft tilt and misalignment, accommodating installation errors.
High load capacity: The double-row barrel roller design can withstand huge radial loads and bidirectional axial loads, making it ideal for heavy-duty and impact applications.
Long life and high reliability: Optimized internal design, surface treatment, and cage materials (such as steel or copper alloys) reduce wear, improve fatigue life, and enhance operational safety.
Low friction and efficient operation: Improved geometry and lubrication groove design optimize lubrication, reduce operating torque and temperature, and improve efficiency.
Versatility: Available in various forms, including cylindrical and tapered bores (for easy installation on smooth shafts), suitable for various shafts and widely used in heavy industries such as mining, paper-making, and fan manufacturing.
BC4-0094 Cylindrical Roller Bearing
d | 300 mm | Bore diameter |
D | 420 mm | Outside diameter |
B | 300 mm | Width |
≈m | 130 kg | Weight |



