7328 BCBM Angular contact ball bearing
Cage: brass cage, M/EM; steel cage, without suffix / E; nylon cage, TVP/ECP
Single row :70xx ; 72xx; 73xx
Double row: 32xx; 33xx (52xx, 53xx)
Advantage:
Multi-directional load capacity: Capable of simultaneously withstanding radial and unidirectional axial loads, suitable for complex stress conditions.
High rigidity and high precision: The structural design provides high rigidity, which can be further enhanced through preload, maintaining rotational stability and repeatability.
High-speed performance: Optimized design and contact angle (e.g., 15°) reduce friction and temperature rise, enabling operation at higher speeds.
Adjustable contact angle: The contact angle can be adjusted as needed (e.g., 15°, 25°, 40°) to balance speed, precision, and axial load capacity.
Easy installation and adjustment: The inner and outer rings are separable for easy installation and preload adjustment.
Low friction and long life: Excellent lubrication and design reduce friction and wear, extending component life.
Wide applications: Suitable for various precision and heavy-duty equipment such as machine tools, motors, pumps, and robots.
7328 BCBM Angular contact ball bearing
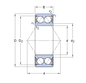
d | 140 mm | Bore diameter |
D | 300 mm | Outside diameter |
B | 62 mm | Width |
d2 | ≈202.5 mm | Shoulder diameter of inner ring |
D2 | ≈172.15 mm | Shoulder diameter of inner ring |
C0 | 302 kN | Basic dynamic load rating |
C0r | 345 kN | Basic static load rating |
≈m | 20.2 kg | Weight |

